Page 340 - Ecrin 4.12 Tutorial

Basic HTML Version

Ecrin v4.12 - v4.12.02 - © KAPPA 1988-2009
Rubis Guided Session #4
• Rub
GS04 - 8/15
Doc
As can be seen, the rate gauge could be simplified from 310 steps to 30 without losing any
important feature. Click on OK to validate the change and go back to the “Rubis Sector 1”
analysis tab.
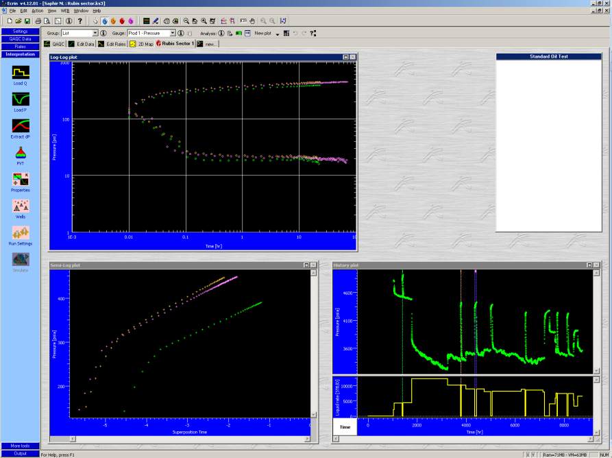
Extract the three first build-ups (#1, #2, and #3) after having unselected build-up #8:
Fig. B02.4 • After extraction of the build-ups #1, #2 and #3
The Rubis sector analysis contains the full Rubis three-phase black-oil model, except that the
geometry is limited to the extracted sector. The PVT and Properties icons visible in this
analysis exhibit the same behaviour as in Rubis and lead to the same dialogs.
For instance, click on “Properties” in
Saphir to enter the Rubis sector model
– Properties dialog, and in this dialog
edit the permeability dataset of the
Default property set ( ):