Page 343 - Ecrin 4.12 Tutorial

Basic HTML Version

Ecrin v4.12 - Doc v4.12.02 - © KAPPA 1988-2009
Rubis Guided Session #4
• Rub
GS04 - 11/15
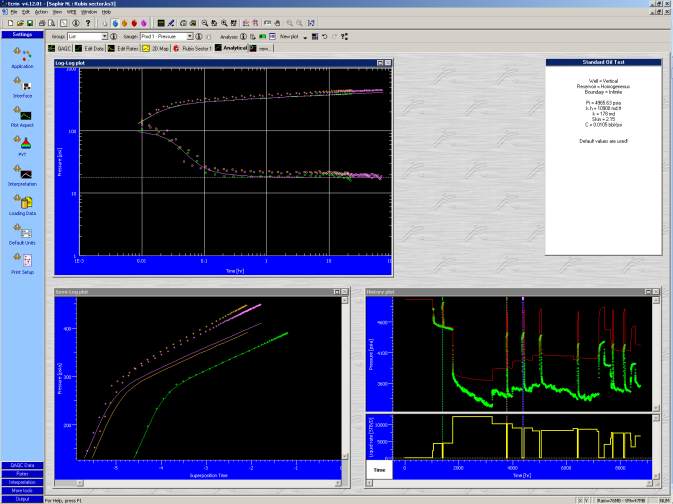
B02.2 • Adjusting the well skin value
We will now estimate the skin value by matching a simple analytical model. Create a new
analysis named ‘Analytical’ by copy of the current sector analysis – in the copy only the 2D
geometry will be carried over because all Saphir linear models are limited to single phase
(without gravity):
Fig. B02.7 • Creating a new analysis
Extracts the same build-ups as before (#1, #2 and #3), and do an auto-model (Shift +
)
followed by an auto-improve (Shift +
) to match a simple analytical model (storage and
skin vertical well in an infinite acting homogeneous reservoir) on the data:
Fig. B02.8 • Match with an analytical model
Please note that each model delta-p uses the p@dt=0 of the simulation in the above figure –
see Saphir Interpretation Settings, Misc page.